|
Nama Produk |
Kapal Laut Plastik Nilon Melalui Saluran Lambung Dengan Pembakaran dan Penutup Atas Baja Tahan Karat |
|
Spesifikasi tersedia |
Ukuran Lebih Banyak |
|
Standar yang mengikuti |
ISO 9001, CE, TUV, CCS, SGS. |
|
Sampel tersedia |
Ya. |
|
Metode pengepakan |
Tas gelembung + karton kayu |
|
Waktu tunggu produksi |
10-15 hari untuk kontainer 20 kaki, 20-25 hari untuk kontainer 40 kaki. |
|
Waktu garansi |
Mendukung pengembalian dan penukaran |
|
Jangka waktu pembayaran |
Visa, kartu kredit, PayPal, transfer TT |
|
Pelabuhan pemuatan FOB |
Qingdao Tiongkok |
|
Kondisi |
100% Baru |
|
Jenis Barang |
Melalui lambung kapal |
|
Warna |
Perak+Hitam |
|
Bahan |
Plastik nilon |

|
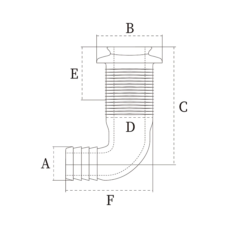
Kode |
Ukuran |
Sebuah mm |
Bmm |
cm |
Dmm |
Emm |
Fmm |
|
AM2330-25 |
1 inci |
25.4 |
48 |
88 |
33 |
57 |
64 |
|
AM2330-30 |
1-1/8 inci |
28.5 |
48 |
88 |
33 |
51 |
91 |
|
AM2330-38 |
1-1/2 inci |
38.1 |
60 |
102 |
40 |
58 |
95 |
WhatsApp / wechat: +86-15865772126
E-mail:andy@hardwaremarine.com
Massa: +86-15865772126
Jika Anda memiliki pertanyaan dapat menghubungi kami